Teräsputki ZN Geberit Mapress 12x1,2x6000
LVI-numero 0478123
Toimittajan tuotenumero 29101
Pikakoodi TR61
Geberit Mapress Hiiliteräs -järjestelmäputki, ulkopinta sinkitty. Seostamaton teräs 1.0034 E195 (EN 10305), jonka pinnankarheus on 10 µm. Lämpölaajeneminen 0.012 mm/(m·K), erityinen lämpökapasiteetti 500 J/(kg·K).

Tuotteen perustiedot
- LVI-numero 0478123
- Yleisnimi (ERP) TERÄSPUTKI ZN MAPRESS
- Tarkenne (ERP) 12X1,2X6000
- Tuotemerkki Geberit
- Tuotesarja Mapress
- Pikakoodi TR61
- Toimittajan tuotenumero 29101
- EAN-koodi 4024723291015
- Varastoitavuus Varastoitava
- Pakkauskoot 420/420/420/420
- Minimimyyntierä 6
Tuotteen ominaisuudet
- ETIM-luokka EC010032 - Ohutseinäinen teräsputki
- Materiaali Hiiliteräs
- Pintakäsittely Sinkitty
Mitat
- Pituus (mm) 6000
- Nimellishalkaisija DN 10
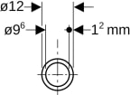
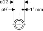
- Sisähalkaisija 9.6
- Ulkohalkaisija 12
- Seinämän paksuus 1.2
Tekniset ominaisuudet
- Lämmönjohtavuus 60 W/(m·K)
EPD-ympäristötiedot
- EPD-ympäristöseloste
- GWP total, tuotevaihe (A1-A3) 3,54 kg CO2e/kg
- GWP-luvun laskentastandardi EN 15804:2012 + A2:2019
- GWP, kolmannen osapuolen verifiointi Kyllä







