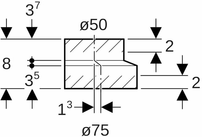
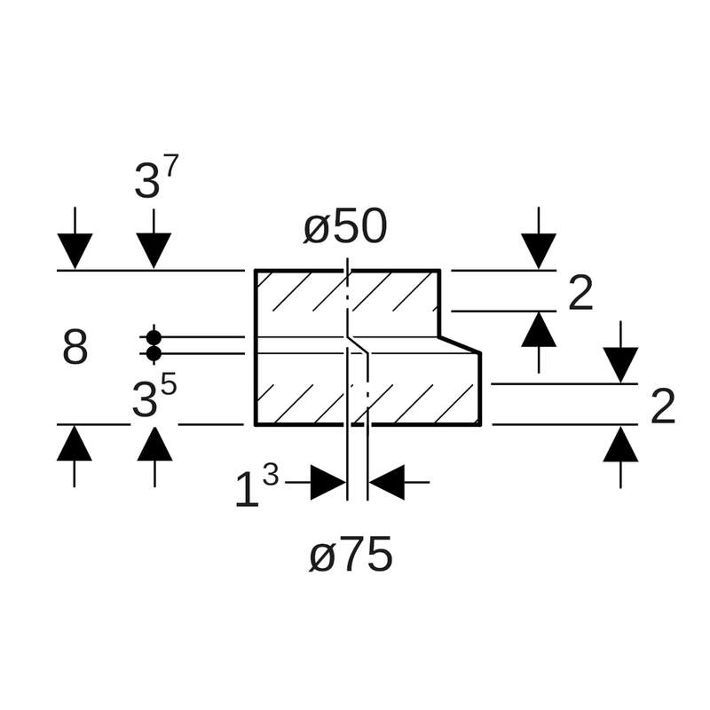
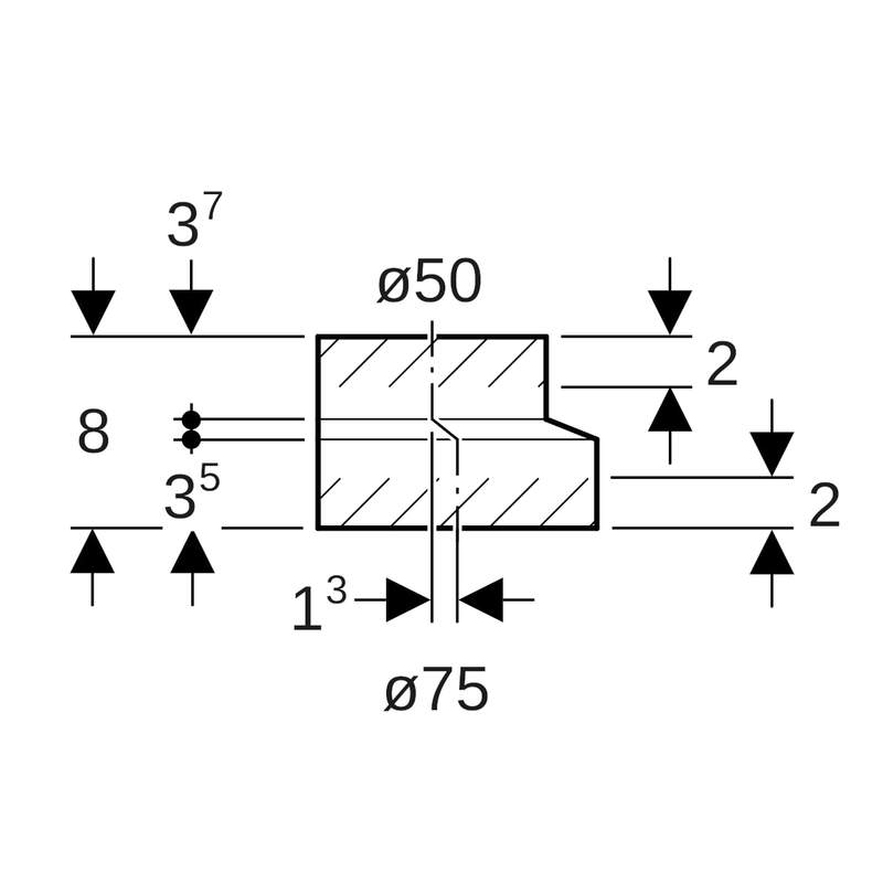
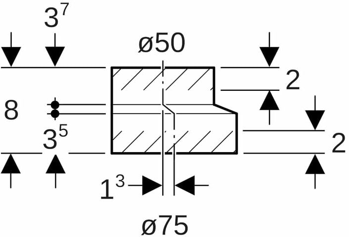
Supistusyhde epäkeskeinen Geberit PE 75x50 lyhyt
LVI-numero 2300925
Toimittajan tuotenumero 365.561.16.1
Geberit PE -supistus, epäkeskeinen, lyhyt: d = 75 mm, d1 = 50 mm.

Tuotteen perustiedot
- LVI-numero 2300925
- Yleisnimi (ERP) SUPISTUSYHDE EPÄK. GEBERIT PE
- Tarkenne (ERP) 75X50 LYHYT
- Tuotemerkki Geberit
- Tuotesarja PE
- Toimittajan tuotenumero 365.561.16.1
- Varastoitavuus Hankintatuote
- Pakkauskoot 1/0/0/0
- Minimimyyntierä 1
Tuotteen ominaisuudet
- ETIM-luokka EC003024 - Putkiosa kahdella liitännällä
EPD-ympäristötiedot
- EPD-ympäristöseloste
- GWP total, tuotevaihe (A1-A3) 2,09 kg CO2e/kg
- GWP-luvun laskentastandardi EN 15804:2012 + A2:2019
- GWP, kolmannen osapuolen verifiointi Kyllä





