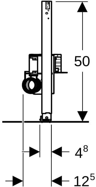
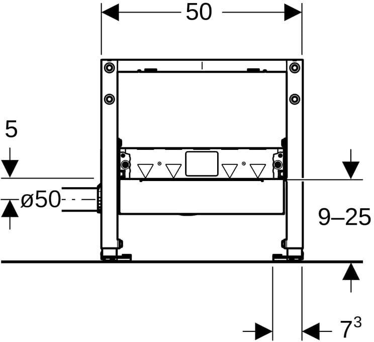
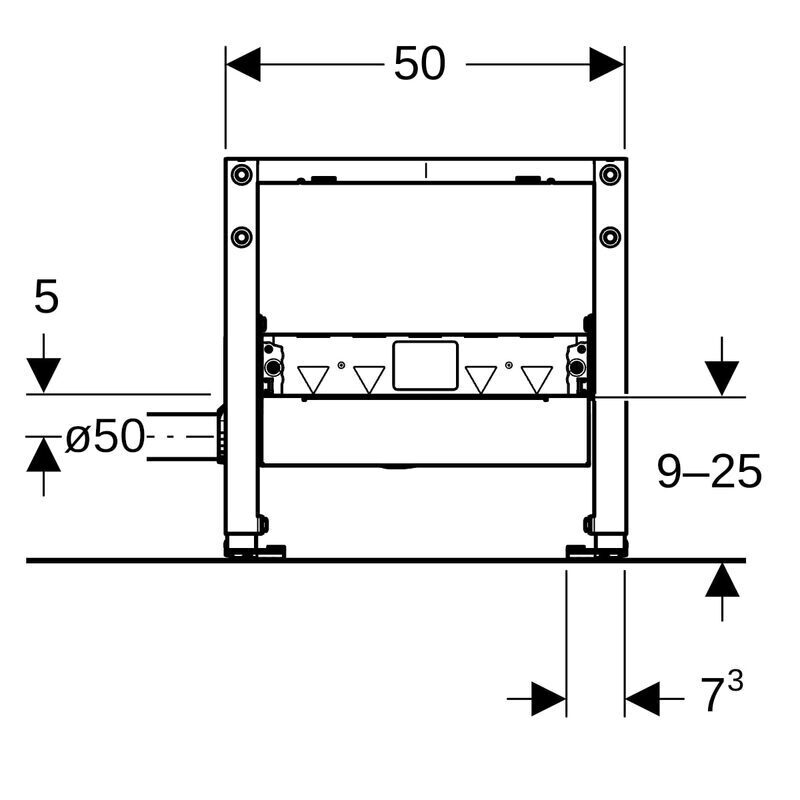
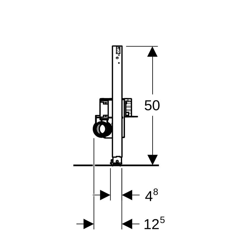
Suihkuelementti Geberit Duofix vaakapoisto, DN 50
LVI-numero 5757001
Toimittajan tuotenumero 111.591.00.2
Geberit Duofix -suihkuelementti 50 cm, seinäkaivolla, lattian rakennekorkeus kaivon kohdalla 90–250 mm.
Tuotteen perustiedot
- LVI-numero 5757001
- Yleisnimi (ERP) SUIHKUELEMENTTI GEBERIT
- Tarkenne (ERP) VAAKAPOISTO, DN 50
- Tuotemerkki Geberit
- Tuotesarja Duofix
- Toimittajan tuotenumero 111.591.00.2
- EAN-koodi 4064746030710
- Varastoitavuus Hankintatuote
- Pakkauskoot 1/0/0/8
- Minimimyyntierä 1
Tuotteen ominaisuudet
- ETIM-luokka EC010089 - Seinäasennuslevy kylpy-/ suihkuhanalle










