Puristuskäyrä 90° HST Geberit Mapress 22 S/S kaasu
LVI-numero 1274053
Toimittajan tuotenumero 34002
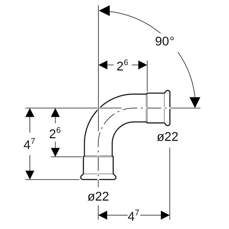
Geberit Mapress Ruostumaton Teräs -käyrä S/S (kaasu), kulma 90°, d = 22 mm.

Tuotteen perustiedot
- LVI-numero 1274053
- Yleisnimi (ERP) PURISTUSKÄYRÄ 90 HST MAPRESS
- Tarkenne (ERP) 22 S/S KAASU
- Tuotemerkki Geberit
- Tuotesarja Mapress
- Toimittajan tuotenumero 34002
- Varastoitavuus Hankintatuote
- Pakkauskoot 1/0/0/0
- Minimimyyntierä 1
Tuotteen ominaisuudet
- ETIM-luokka EC003024 - Putkiosa kahdella liitännällä
- Materiaali HST
Tekniset ominaisuudet
- Supistus Ei
EPD-ympäristötiedot
- EPD-ympäristöseloste
- GWP total, tuotevaihe (A1-A3) 0,48 kg CO2e/kpl
- GWP-luvun laskentastandardi EN 15804:2012 + A2:2019
- GWP, kolmannen osapuolen verifiointi The European standard EN 15804 + A1 is used as the core PCR





