Puristus T-yhde HST Geberit Mapress 42x3/4"x42 mm kaasu
LVI-numero 1274135
Toimittajan tuotenumero 34126
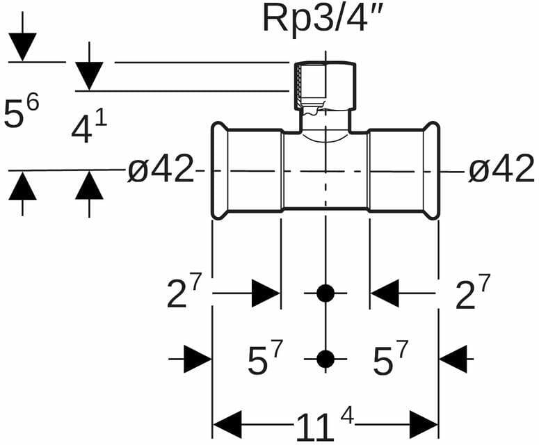
Geberit Mapress Ruostumaton Teräs -T-haara sisäkierteellä (kaasu): d = 42 mm, Rp = 3/4", d1 = 42 mm.

Tuotteen perustiedot
- LVI-numero 1274135
- Yleisnimi (ERP) PURISTUS T-YHDE HST MAPRESS
- Tarkenne (ERP) 42X3/4X42 MM KAASU
- Tuotemerkki Geberit
- Tuotesarja Mapress
- Toimittajan tuotenumero 34126
- Varastoitavuus Hankintatuote
- Pakkauskoot 1/0/0/0
- Minimimyyntierä 1
Tuotteen ominaisuudet
- ETIM-luokka EC003025 - Putkiosa kolmella liitännällä
- Materiaali HST
Tekniset ominaisuudet
- Supistus Ei
EPD-ympäristötiedot
- EPD-ympäristöseloste
- GWP total, tuotevaihe (A1-A3) 1,32 kg CO2e/kpl
- GWP-luvun laskentastandardi EN 15804:2012 + A2:2019
- GWP, kolmannen osapuolen verifiointi The European standard EN 15804 + A1 is used as the core PCR





