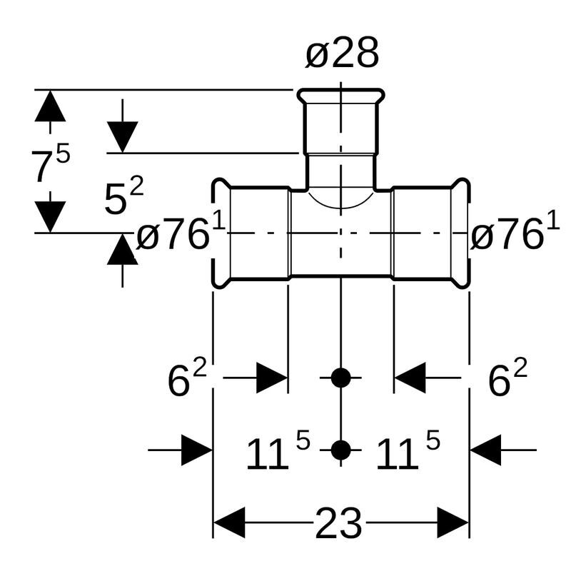
Puristus T-supistusyhde ZN Geberit Mapress 76x28x76,1
LVI-numero 0484299
Toimittajan tuotenumero 21230
Tuotteen perustiedot
- LVI-numero 0484299
- Yleisnimi (ERP) PURISTUS T-SUP.YHDE ZN MAPRESS
- Tarkenne (ERP) 76X28X76,1
- Tuotemerkki Geberit
- Tuotesarja Mapress
- Toimittajan tuotenumero 21230
- Varastoitavuus Hankintatuote
- Pakkauskoot 1/0/0/0
- Minimimyyntierä 1
Tuotteen ominaisuudet
- ETIM-luokka EC003025 - Putkiosa kolmella liitännällä
- Materiaali Hiiliteräs
- Pintakäsittely Sinkitty
Tekniset ominaisuudet
- Supistus Kyllä





