Puristus T-supistusyhde RST Geberit Mapress Therm 76,1x42x76,1
LVI-numero 1273724
Toimittajan tuotenumero 41232
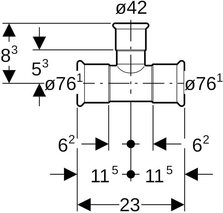
Geberit Mapress Therm -T-haara, supistettu: d=76.1 mm, d1=42 mm, d2=76.1 mm.
Tuotteen perustiedot
- LVI-numero 1273724
- Yleisnimi (ERP) PURISTUS T-SUP.YHD RST GEBERIT
- Tarkenne (ERP) THERM 76,1X42X76,1
- Tuotemerkki Geberit
- Tuotesarja Mapress Therm
- Toimittajan tuotenumero 41232
- EAN-koodi 4064746040269
- Varastoitavuus Hankintatuote
- Pakkauskoot 1/5/0/0
- Minimimyyntierä 1
Tuotteen ominaisuudet
- ETIM-luokka EC003025 - Putkiosa kolmella liitännällä





