Puristus T-supistusyhde HST Geberit Mapress 76x76,1 mm kaasu
LVI-numero 1274110
Toimittajan tuotenumero 34062
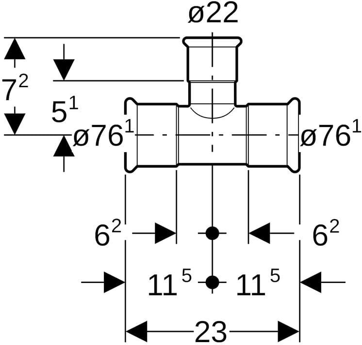
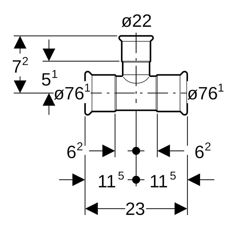
Geberit Mapress Ruostumaton Teräs -T-haara supistettu (kaasu): d = 76.1 mm, d1 = 22 mm, d2 = 76.1 mm.

Tuotteen perustiedot
- LVI-numero 1274110
- Yleisnimi (ERP) PURISTUS T-SUP.YHDE HST MAPRES
- Tarkenne (ERP) 76X76,1 MM KAASU
- Tuotemerkki Geberit
- Tuotesarja Mapress
- Toimittajan tuotenumero 34062
- Varastoitavuus Hankintatuote
- Pakkauskoot 1/0/0/0
- Minimimyyntierä 1
Tuotteen ominaisuudet
- ETIM-luokka EC003025 - Putkiosa kolmella liitännällä
- Materiaali HST
Tekniset ominaisuudet
- Supistus Kyllä
EPD-ympäristötiedot
- EPD-ympäristöseloste
- GWP total, tuotevaihe (A1-A3) 4,64 kg CO2e/kpl
- GWP-luvun laskentastandardi EN 15804:2012 + A2:2019
- GWP, kolmannen osapuolen verifiointi The European standard EN 15804 + A1 is used as the core PCR





