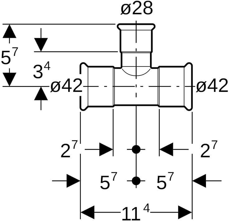
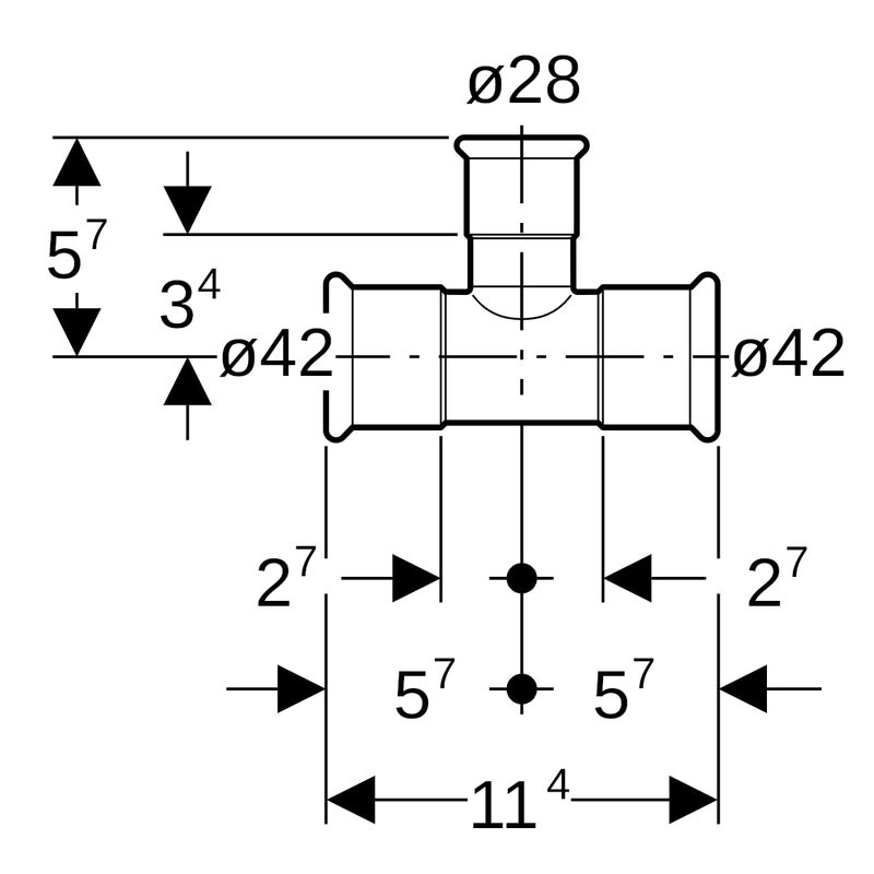
Puristus T-supistusyhde HST Geberit Mapress 42x28x42
LVI-numero 1283255
Toimittajan tuotenumero 31219
Pikakoodi LL68
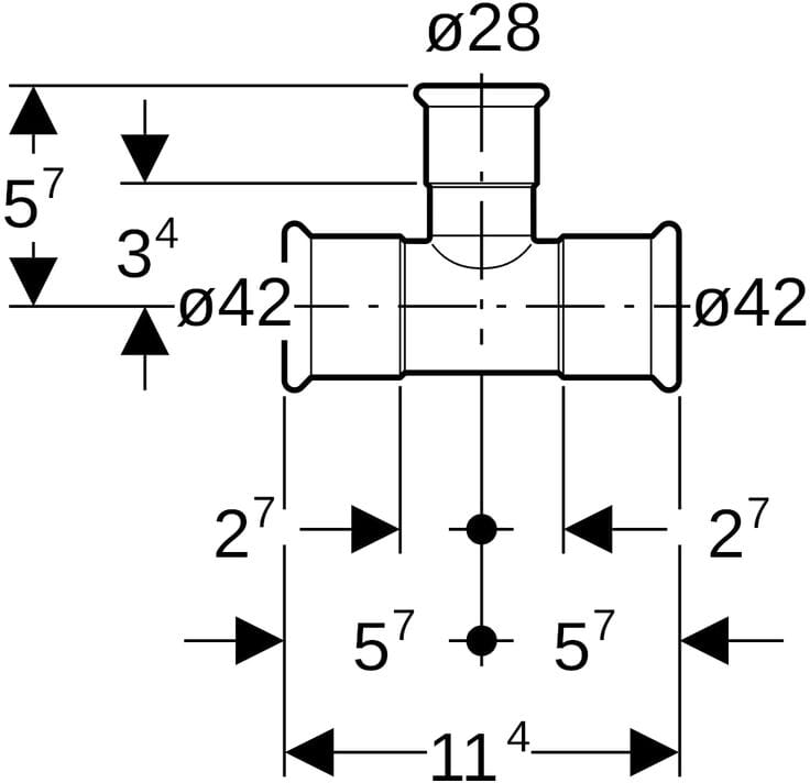
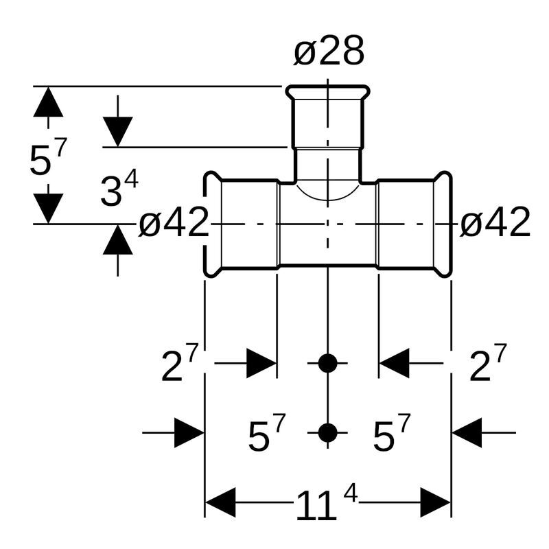
Geberit Mapress Ruostumaton Teräs -T-haara supistettu: d = 42 mm, d1 = 28 mm, d2 = 42 mm.

Tuotteen perustiedot
- LVI-numero 1283255
- Yleisnimi (ERP) PURISTUS T-SUP.YHDE HST MAPRES
- Tarkenne (ERP) 42X28X42
- Tuotemerkki Geberit
- Tuotesarja Mapress
- Pikakoodi LL68
- Toimittajan tuotenumero 31219
- EAN-koodi 4024723312192
- Varastoitavuus Varastoitava
- Pakkauskoot 4/48/48/48
- Minimimyyntierä 1
Tuotteen ominaisuudet
- ETIM-luokka EC003025 - Putkiosa kolmella liitännällä
- Materiaali HST
Tekniset ominaisuudet
- Supistus Kyllä
EPD-ympäristötiedot
- EPD-ympäristöseloste
- GWP total, tuotevaihe (A1-A3) 1,1 kg CO2e/kpl
- GWP-luvun laskentastandardi EN 15804:2012 + A2:2019
- GWP, kolmannen osapuolen verifiointi The European standard EN 15804 + A1 is used as the core PCR





