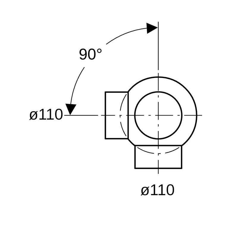
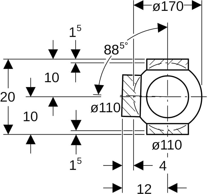
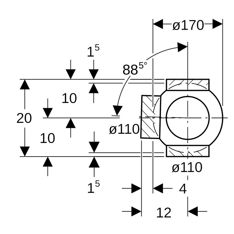
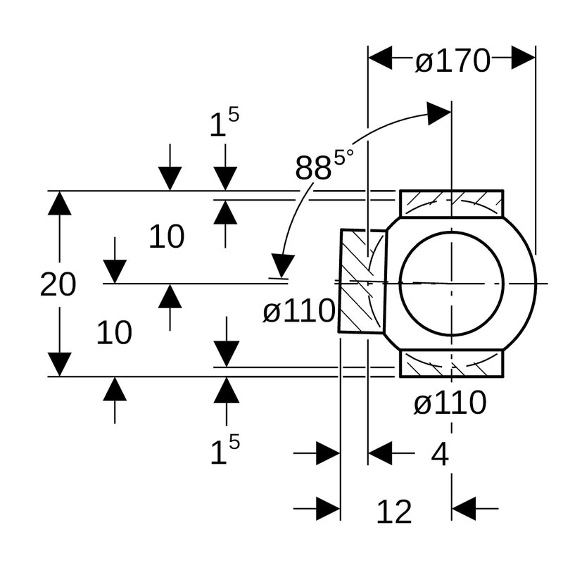
Pallohaarayhde 88,5° Geberit PE 110x110x88,5
LVI-numero 2300913
Toimittajan tuotenumero 367.335.16.1
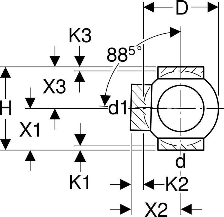
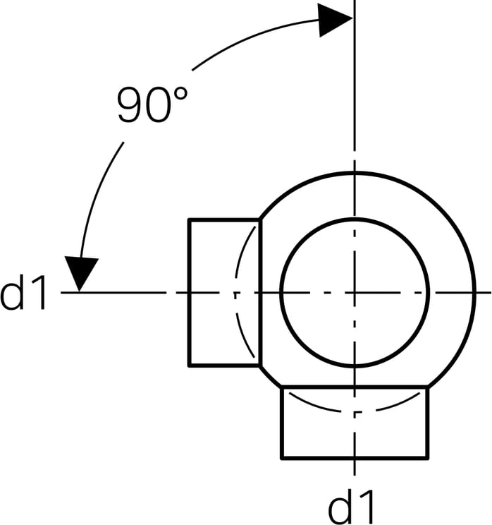
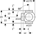
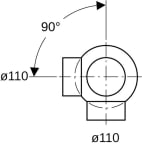
Geberit PE -kaksoispallohaarayhde 88,5°, liitännät 90° kulmassa: d = 110 mm, d1 = 110 mm.

Tuotteen tiedot
- LVI-numero 2300913
- Yleisnimi (ERP) PALLOHAARAYHDE 88,5 GEBERIT PE
- Tarkenne (ERP) 110X110X88,5
- Tuotemerkki Geberit
- Tuotesarja PE
- Toimittajan tuotenumero 367.335.16.1
- Varastoitavuus Hankintatuote
- Pakkauskoot 1/0/0/0
- Minimimyyntierä 1
Tuotteen ominaisuudet
- ETIM-luokka EC003026 - Putkiosa neljällä liitännällä
EPD-ympäristötiedot
- EPD-ympäristöseloste
- GWP total, tuotevaihe (A1-A3) 2,28 kg CO2e/kg
- GWP-luvun laskentastandardi EN 15804:2012 + A2:2019
- GWP, kolmannen osapuolen verifiointi EPD Hub Core PCR version 1.0, 1 Feb 2022







