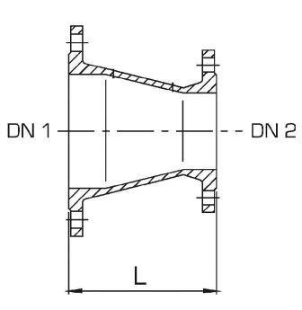
Laippasupistusyhde Saint-Gobain PAM FFR DN 150-125 epoksoitu
LVI-numero 0112218
Toimittajan tuotenumero F661512E
Pikakoodi MO18
Tuotteen perustiedot
- LVI-numero 0112218
- Yleisnimi (ERP) LAIPPASUPISTUSYHDE FFR SGPS
- Tarkenne (ERP) DN 150-125 EPOKSOITU
- Tuotemerkki Saint-Gobain PAM
- Tuotesarja FFR
- Pikakoodi MO18
- Toimittajan tuotenumero F661512E
- EAN-koodi 3615602390069
- Varastoitavuus Varastoitava
- Pakkauskoot 1/0/0/0
- Minimimyyntierä 1

