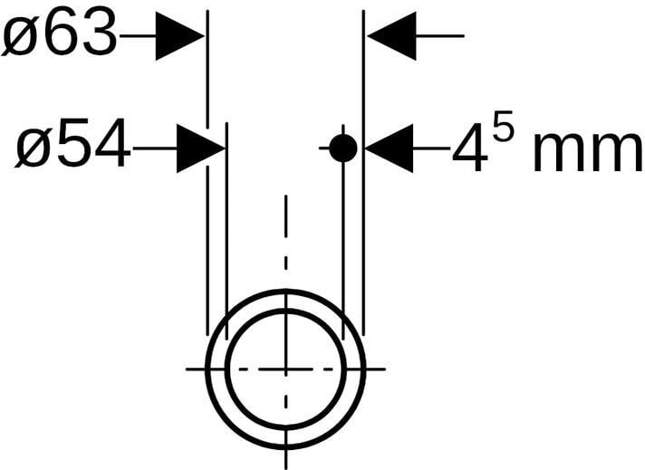
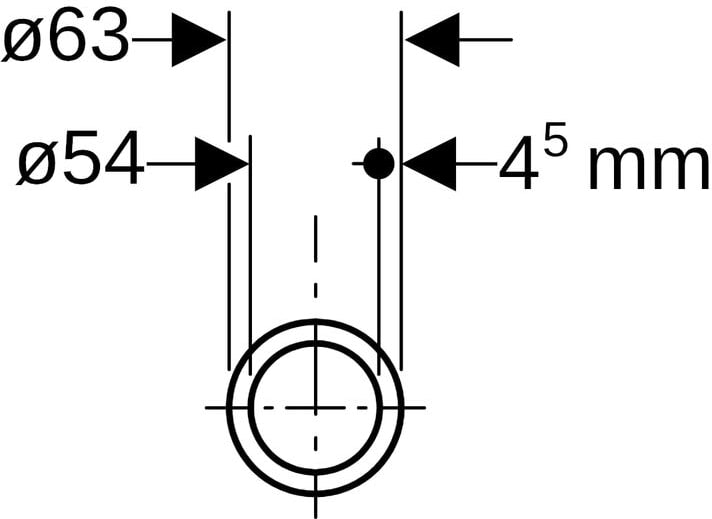
Komposiittiputki Geberit Mepla 63 mm L=5 m
LVI-numero 1751109
Toimittajan tuotenumero 607.100.00.1
Geberit Mepla -järjestelmäputki, monikerrosputki, suorat putket: PE-RT II/Al/PE-RT II, d = 63 mm, pituus 5 metriä.
Tuotteen perustiedot
- LVI-numero 1751109
- Yleisnimi (ERP) KOMPOSIITTIPUTKI MEPLA
- Tarkenne (ERP) 63 MM L5M
- Tuotemerkki Geberit
- Tuotesarja Mepla
- Toimittajan tuotenumero 607.100.00.1
- Varastoitavuus Hankintatuote
- Pakkauskoot 1/0/0/0
- Minimimyyntierä 1
Tuotteen ominaisuudet
- ETIM-luokka EC010225 - Monikerrosputki, sileä







