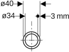
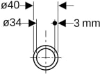
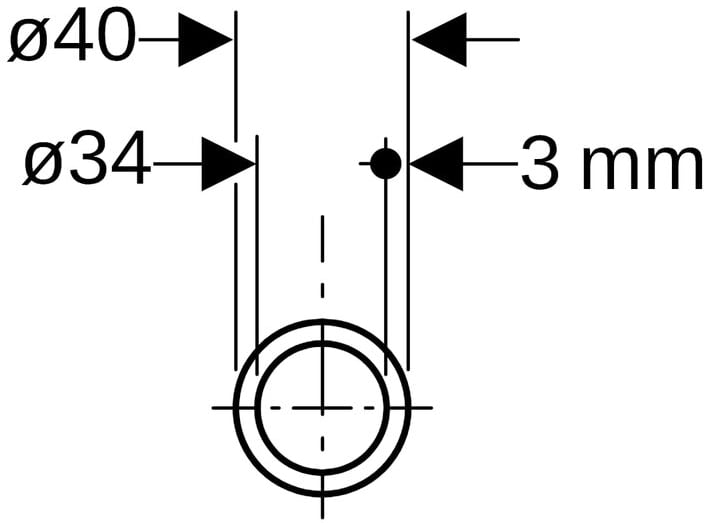
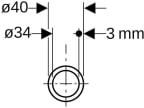
Komposiittiputki Geberit FlowFit d40 mm, L=3 m
LVI-numero 1752530
Toimittajan tuotenumero 619.014.00.1
Pikakoodi HX53
Geberit-järjestelmäputki, monikerrosputki, suorat putket: d = 40 mm, pituus 3 metriä.

Tuotteen perustiedot
- LVI-numero 1752530
- Yleisnimi (ERP) KOMPOSIITTIPUTKI GEBER FLOWFIT
- Tarkenne (ERP) D40 MM, L3M
- Tuotemerkki Geberit
- Tuotesarja FlowFit
- Pikakoodi HX53
- Toimittajan tuotenumero 619.014.00.1
- EAN-koodi 4025416614258
- Varastoitavuus Varastoitava
- Pakkauskoot 3/30/840/0
- Minimimyyntierä 3
Tuotteen ominaisuudet
- ETIM-luokka EC010225 - Monikerrosputki, sileä
EPD-ympäristötiedot
- EPD-ympäristöseloste
- GWP total, tuotevaihe (A1-A3) 13,78 kg CO2e/kpl
- GWP-luvun laskentastandardi EN 15804:2012 + A2:2019
- GWP, kolmannen osapuolen verifiointi The European standard EN 15804 + A1 is used as the core PCR.







