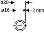
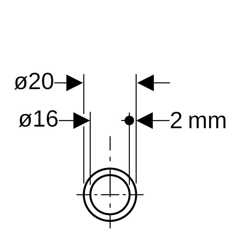
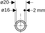
Komposiittiputki Geberit FlowFit D20 L=50 m monikerros
LVI-numero 1752198
Toimittajan tuotenumero 619.051.00.1
Pikakoodi KW14
Geberit-järjestelmäputki, monikerrosputki, kiepit: d = 20 mm, pituus 50 metriä.

Tuotteen perustiedot
- LVI-numero 1752198
- Yleisnimi (ERP) KOMPOSIITTIPUTKI FLOWFIT
- Tarkenne (ERP) D20 L50M MONIKERROS
- Tuotemerkki Geberit
- Tuotesarja FlowFit
- Pikakoodi KW14
- Toimittajan tuotenumero 619.051.00.1
- EAN-koodi 4025416599777
- Varastoitavuus Varastoitava
- Pakkauskoot 50/0/0/500
- Minimimyyntierä 1
Tuotteen ominaisuudet
- ETIM-luokka EC010225 - Monikerrosputki, sileä
EPD-ympäristötiedot
- EPD-ympäristöseloste
- GWP total, tuotevaihe (A1-A3) 69,73 kg CO2e/kpl
- GWP-luvun laskentastandardi EN 15804:2012 + A2:2019
- GWP, kolmannen osapuolen verifiointi The European standard EN 15804 + A1 is used as the core PCR.







