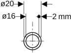
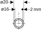
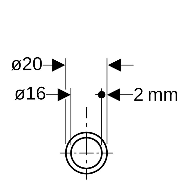
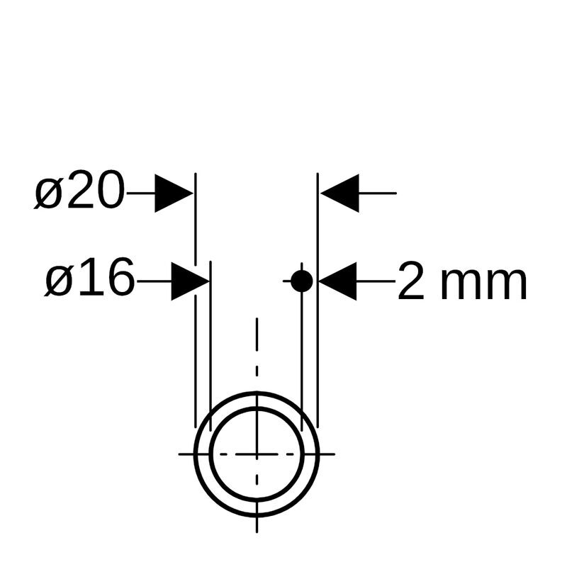
Komposiittiputki Geberit FlowFit D20 L=100 m monikerros
LVI-numero 1752201
Toimittajan tuotenumero 619.061.00.1
Geberit-järjestelmäputki, monikerrosputki, kiepit: d = 20 mm, pituus 100 metriä.

Tuotteen perustiedot
- LVI-numero 1752201
- Yleisnimi (ERP) KOMPOSIITTIPUTKI FLOWFIT
- Tarkenne (ERP) D20 L100M MONIKERROS
- Tuotemerkki Geberit
- Tuotesarja FlowFit
- Toimittajan tuotenumero 619.061.00.1
- EAN-koodi 4025416599838
- Varastoitavuus Hankintatuote
- Pakkauskoot 100/0/0/600
- Minimimyyntierä 1
Tuotteen ominaisuudet
- ETIM-luokka EC010225 - Monikerrosputki, sileä
EPD-ympäristötiedot
- EPD-ympäristöseloste
- GWP total, tuotevaihe (A1-A3) 139,54 kg CO2e/kpl
- GWP-luvun laskentastandardi EN 15804:2012 + A2:2019
- GWP, kolmannen osapuolen verifiointi The European standard EN 15804 + A1 is used as the core PCR.







