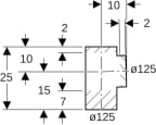
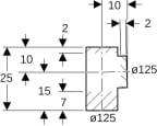
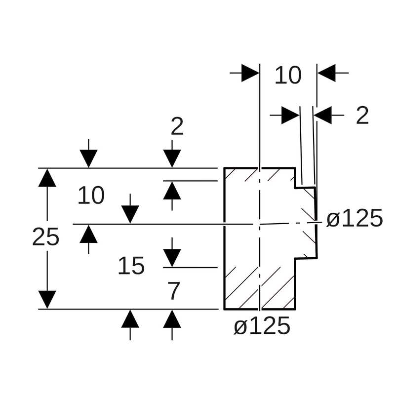
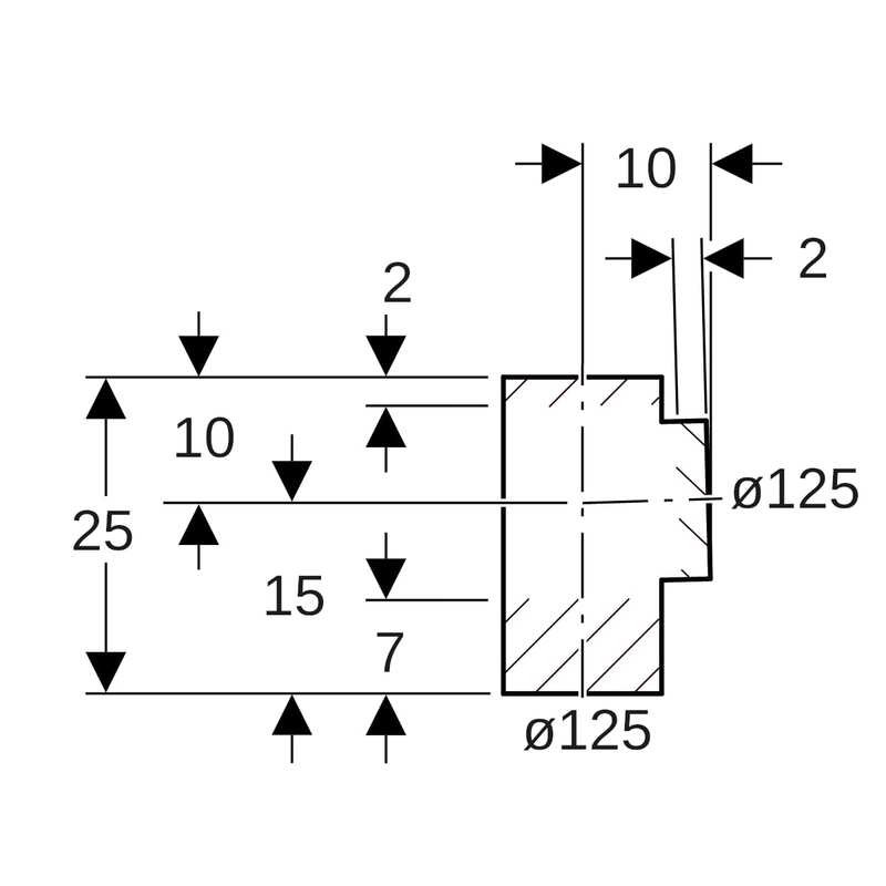
Haarayhde 88,5° Geberit PE 125x125x88,5
LVI-numero 2300883
Toimittajan tuotenumero 368.189.16.1
Geberit PE -haarayhde 88,5°: d = 125 mm, d1 = 125 mm.

Tuotteen perustiedot
- LVI-numero 2300883
- Yleisnimi (ERP) HAARAYHDE 88,5 GEBERIT PE
- Tarkenne (ERP) 125X125X88,5
- Tuotemerkki Geberit
- Tuotesarja PE
- Toimittajan tuotenumero 368.189.16.1
- Varastoitavuus Hankintatuote
- Pakkauskoot 1/0/0/0
- Minimimyyntierä 1
Tuotteen ominaisuudet
- ETIM-luokka EC003025 - Putkiosa kolmella liitännällä
EPD-ympäristötiedot
- EPD-ympäristöseloste
- GWP total, tuotevaihe (A1-A3) 2,09 kg CO2e/kg
- GWP-luvun laskentastandardi EN 15804:2012 + A2:2019
- GWP, kolmannen osapuolen verifiointi Kyllä





