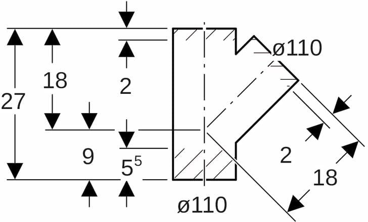
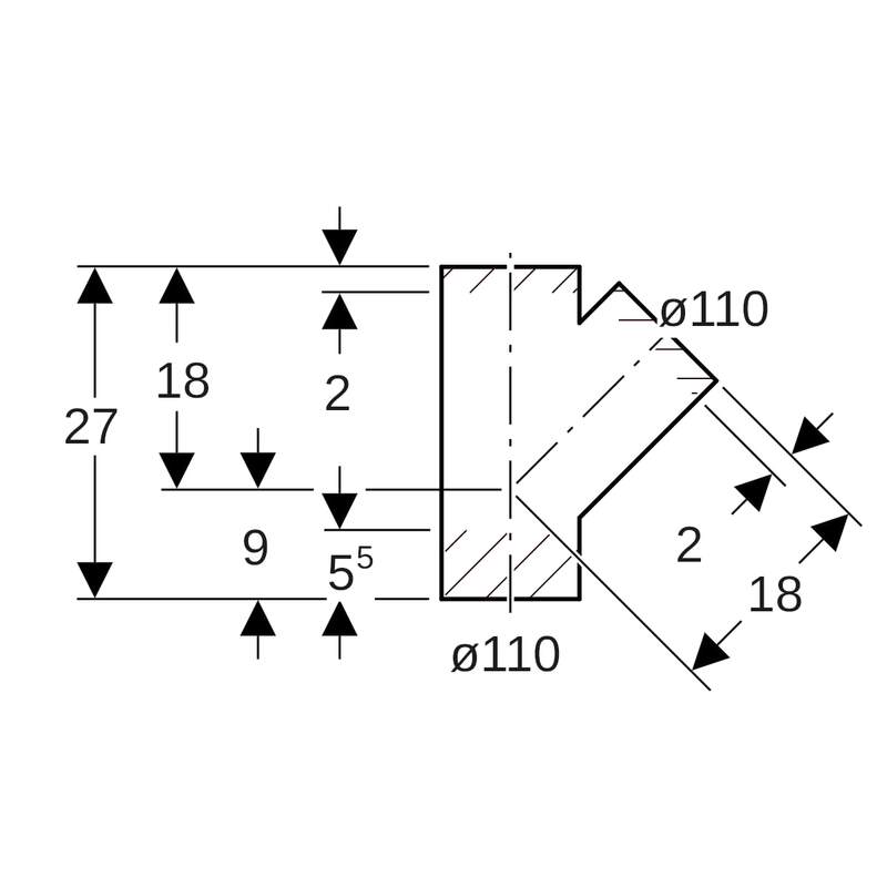
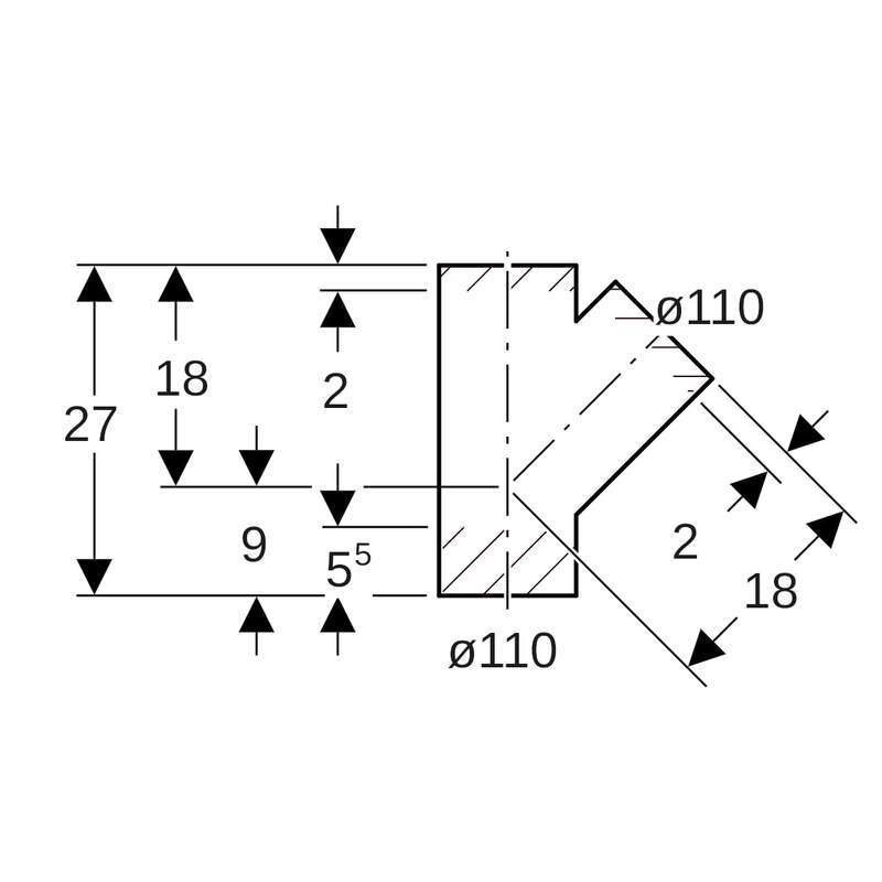
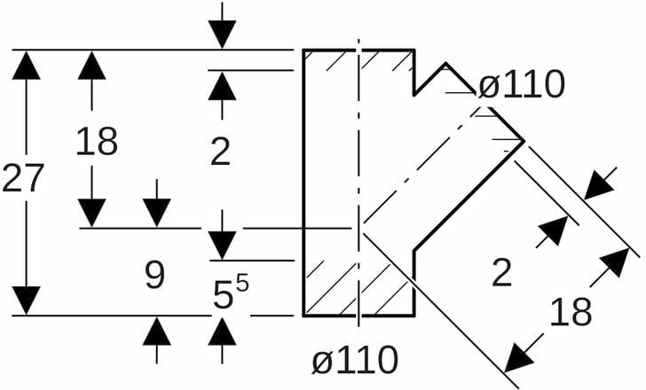
Haarayhde 45° Geberit PE 110x110x45
LVI-numero 2300821
Toimittajan tuotenumero 367.135.16.1
Pikakoodi FZ69
Geberit PE -haarayhde 45°: d = 110 mm, d1 = 110 mm.

Tuotteen perustiedot
- LVI-numero 2300821
- Yleisnimi (ERP) HAARAYHDE 45 GEBERIT PE
- Tarkenne (ERP) 110X110X45
- Tuotemerkki Geberit
- Tuotesarja PE
- Pikakoodi FZ69
- Toimittajan tuotenumero 367.135.16.1
- EAN-koodi 4025416030874
- Varastoitavuus Varastoitava
- Pakkauskoot 1/20/0/0
- Minimimyyntierä 1
Tuotteen ominaisuudet
- ETIM-luokka EC003025 - Putkiosa kolmella liitännällä
EPD-ympäristötiedot
- EPD-ympäristöseloste
- GWP total, tuotevaihe (A1-A3) 2,09 kg CO2e/kg
- GWP-luvun laskentastandardi EN 15804:2012 + A2:2019
- GWP, kolmannen osapuolen verifiointi Kyllä





