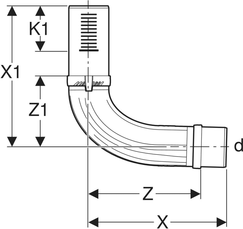
DB-kulmayhde 90° PP Geberit Silent-Pro 110x90 BottomTurn
Geberit Silent-Pro BottomTurn -pohjakulma d=110 mm SuperTube-teknologialla, joka mahdollistaa tehokkaan suunnittelun ahtaisiinkin kuiluihin.
Tuotteen perustiedot
- LVI-numero 2409970
- Yleisnimi (ERP) DB-KULMAYHDE PP SILENT-PRO
- Tarkenne (ERP) 110X90 BOTTOMTURN
- Tuotemerkki Geberit
- Tuotesarja Silent-Pro
- Toimittajan tuotenumero 393.525.14.1
- EAN-koodi 4025410709288
- Varastoitavuus Hankintatuote
- Pakkauskoot 1/5/0/0
- Minimimyyntierä 1
Tuotteen ominaisuudet
- ETIM-luokka EC003024 - Putkiosa kahdella liitännällä
- Tuotekuvaus
Innovatiivinen tilaa säästävä Geberit Silent-Pro -viemärijärjestelmä SuperTube -tekniikalla yksinkertaistaa asennukset myös korkeissa rakennuksissa. Helposti asennettava BottomTurn -pohjakulma, d=110 mm rikkoo vesivuon suunnanmuutoskohdassa ja pyörivä virtaus muuttuu kerrosteiseksi virtaamaksi ilman, että ilmapylväs häiriintyy. Geberit Silent-Pro BottomTurn -pohjakulman muotoilun avulla virtausprofiilin muutos vähentää huomattavasti energiahäviötä tavanomaisiin ratkaisuihin verrattuna ja siksi suunnanmuutos voidaan toteuttaa ilman kaatoa (jopa 6 metriä putkikoolla d110 ja 4 metriä putkikoolla d90). Tilan korkeuden hyödyntäminen on mahdollisimman tehokasta, kun sivuttaissiirto voidaan tehdä ilman kaatoja ja Geberit Silent-Pro BottomTurn -pohjakulma voidaan asentaa erittäin lähelle kattoa. Tämä helpottaa määräysten mukaisten vähimmäistilankorkeuksien noudattamista.
Geberit Silent-Pro SuperTube -järjestelmä mahtuu hyvin ahtaisiin tiloihin. Järjestelmä ei tarvitse paineentasaushaaroja, eikä liitosvapaita alueita tarvitse määrittää pystykokoojan pohjakulman alueelle. Suunnitteluvaiheessa ei tarvita aikaa vieviä tarkasteluvaiheita, koska järjestelmä voidaan suunnitella helposti ja turvallisesti kaikilla yleisimmillä suunnitteluohjelmilla. Geberit Silent-Pro SuperTube tekee asennuksesta helppoa, kun asennukseen käytetään vain muutamia viemäriyhteitä ja suunnanmuutokset voidaan tehdä ilman kaatoja. Geberit Silent-Pro SuperTube saavuttaa jopa 15 % suuremman viemäröintikapasiteetin, mikä mahdollistaa viemäröintijärjestelmien joustavan muutoksen rakennusvaiheen aikana sekä tekee viemäröinnistä muuntojoustavan myös myöhempiä käyttömuutoksia varten.
- Materiaali PP MX (mineraalivahvistettu)
- Tiivisteen materiaali EPDM
Tekniset ominaisuudet
- Lämpötila-alue -10 – +40 °C







